Артикул:
ST-5252
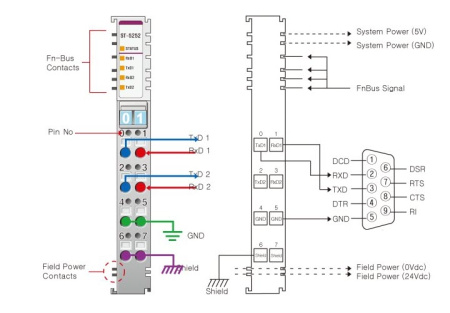
Характеристики интерфейса
| Интерфейс передачи данных | RS-232 |
| Количество каналов | 2 канала |
| Линии передачи данных | TxD, RxD, Дуплексный режим |
| Скорость передачи данных | 300 ~ 115200 бод |
| Количество бит данных | 7 бит, 8 бит, 9 бит |
| Контроль чётности | Без контроля (None, по умолчанию), Нечёт. (Odd), Чёт. (Even) |
| Количество стоповых бит | 1 бит (по умолчанию), 2 бита |
| Контроль потока | RTS, CTS |
| Тип кабеля | Рекомендуется использовать экранированный кабель |
| Длина кабеля | не более 15 м |
|
Напряжение сигнала низкого уровня |
-18 В ~ -3 В |
|
Напряжение сигнала высокого уровня |
3 В ~ 18 В |
|
Размер "окон" приёма / передачи данных |
Данные - 72 байта (по умолчанию), Байты состояния интерфейса - 2 байта Байты управления интерфейсом - 2 байта |
| Буфер приёма (RxD) |
256 байт на канал |
| Буфер передачи (TxD) | 256 байт на канал |
Базовые характеристики
| Рассеиваемая мощность | 110 мА при 5 В DC |
| Гальваническая изоляция |
Между в/в и логикой: Оптоизоляция Изоляционное напряжение: 1000 В (Vrms) |
| Подключение | Макс. сечение проводов 2.0 мм2 (AWG 14) |
| Вес | 70 г |
| Габариты модуля | 12 мм x 99 мм x 70 мм |






