Артикул:
M349F
Характеристики входов
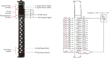
| Количество каналов | 16 каналов (Несимметричный, с общей землей), без изоляции между каналами |
| Индикация | 1 зелёный индикатор статуса шины M-Bus |
| Тип входного сигнала | 0 ~ 10 В DC, 0 ~ 5 В DC, 1 ~ 5 В DC |
| Разрешение (точность) |
16 бит АЦП (включая знак): 0.31 мВ/бит (для 0 ~ 10 В), 0.15 мВ/бит (для 0 ~ 5 В), 0.12 мВ/бит (для 1 ~ 5 В) |
| Формат данных | 16-битное целое число (код АЦП) |
| Погрешность модуля |
±0.1% от полной шкалы при 25°С ±0.3% от полной шкалы при -25°С, 60°С |
| Входное сопротивление | 500 кОм |
| Диагностика |
Диагностика отключения полевого питания: индикатор статуса мигает зелёным |
| Время преобразования | 1.3 мс / все каналы |
| Калибровка | Не требуется |
| Общие контакты | 2 контакта (AGND) |
Базовые характеристики
| Горячая замена | Поддерживается |
| Рассеиваемая мощность | 200 мА при 5 В DC |
| Гальваническая изоляция |
Между в/в и логикой: Оптоизоляция Полевое питание: Без изоляции |
| Полевое питание |
Не используется, полевое питание передаётся на следующий модуль расширения |
| Подключение | Макс. сечение проводов 1.3 мм2 (AWG 16) |
| Вес | 72 г |
| Габариты модуля | 12 мм x 110 мм x 75 мм |
Техническое описание:
Руководство по эксплуатации:
Инструменты для подбора:
Сертификаты:
IO Guide:
Файлы описатели:
Серия
Серия M
Тип модуля
Аналоговый ввод
Количество каналов
16
Диапазон измерений
0...5 В, 1...5 В, 0...10 В
Ток потребления, мА
210
Тип разъема
RTB 18
Тип подключения
2-проводное (несим.)
Горячая замена
?
Hot backup
Поддерживается
Протокол HART
Не поддерживается
Разрешение (точность)
16 бит АЦП






